您好!欢迎来到DB真人旗舰集团!

DB真人旗舰集团

产品分类
新闻动态

联系人:余女士

电话:0755-61527009

手机:13410280632

传真:0755-61527009

地址:深圳市宝安区西乡三围贤顺工业区A栋一楼

邮箱:190163135@qq.com

微信:yu190163135

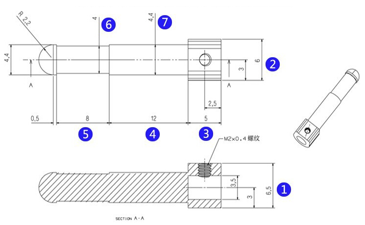
铜螺旋轴

您的位置:首页 > 产品展示 > CNC数控车 铣加工铜螺旋轴

铜螺旋轴

所属分类:CNC数控车 铣加工

详细信息

铜螺旋轴
类型:数控车床机加工
加工贸易形式:来料加工
打样周期:1-3天
加工周期:1-3天
年大加工能力:1000(件)
年剩余加工能力:100(件)

铜螺旋轴

铜螺旋轴

铜螺旋轴

铜螺旋轴

下一个
[8mm快接母头]
产品快速导航